全部厂商:
意法
|
微芯
|
德州仪器
|
新唐
|
合泰
|
灵动
|
杰发
|
雅特力
|
沁恒
|
芯旺
|
赛元
|
芯圣
|
中颖
|
航顺
|
华大
|
兆易
|
笙泉
|
国民技术
|
首页
厂商BrandNews
行业NEWS
在线调试(EDA)
技术文章TECH
程序下载DownLoad
方案Solution
联系我们
类型:
入门
基础
混合
高性能
超高性能
超低功耗
安全
多核心
无线/蓝牙
USB
电机/电源
汽车
触控
射频无线
低电压
8位
16位
MPU
表计
LC/ED显示型
指纹类
其他类
网站文章
方案Solution
行业NEWS
网站动态
程序下载DownLoad
技术文章TECH
厂商BrandNews
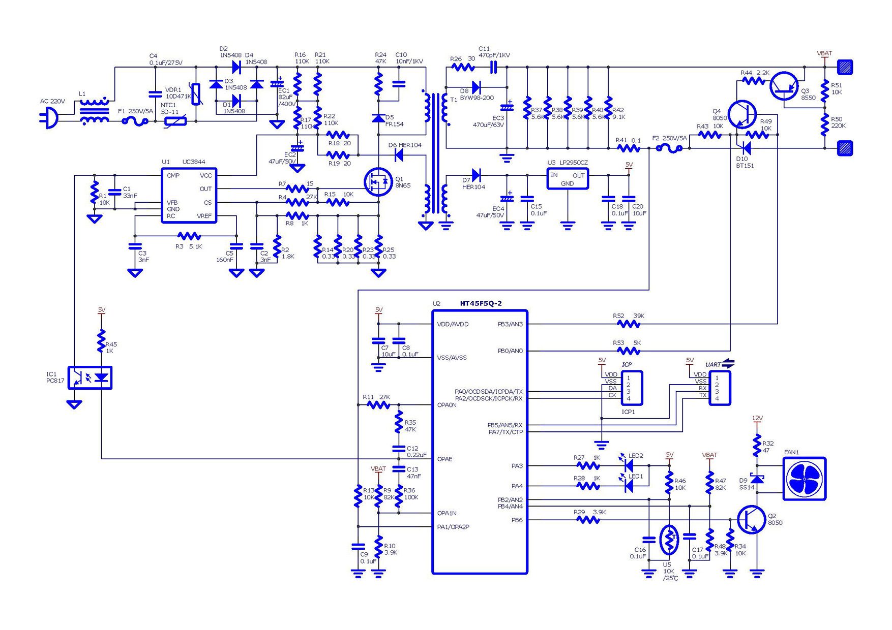
电动自行车充电器
2026-03-27
附件下载
文件名称
文件说明
WAS-1772_SystemArchitectureAndConnectionDiagram.pdf
系统结构与连接图解
WAS-1772_CKT&PCB.pdf
电路图与PCB
WAS-1772SC.zip
电动自行车充电器
开发资源
名称
说明
充电器开发平台
用于HT45F5Q-x充电器开发使用,只需要选择对应的功能,即可进行快速开发
充电器量产工装
搭配量产工装治具,可对充电器输出电压及电流进行校正
AN0521_HT8 MCU OPA应用说明
介绍四种内建 OPA 运算放大器电路的 MCU
AN0516_充电器校正治具应用范例
介绍如何通过校正治具,对 HOLTEK Charger MCU 自动更正
AN0497_动力电池充电器应用须知(双OPA架构)
介绍动力型充电器应用架构及 HOLTEK MCU优势
AN0471_动力型充电器校正治具应用范例
介绍如何通过校正治具,对 HOLTEK Power Charger MCU 自动校正
AN0441_HT45F5Q-x电池充电器应用须知
介绍HT45F5Q-x 系列充电器充电过程及注意事项
e-Link
OCDS架构的Flash MCU的在线侦错调适器
HT-IDE3000
Holtek 8位MCU的整合开发环境,帮助客户快速且容易地发展应用程序
相关IC
HT75xx-2
HT45F5Q-2
勘误纠正/技术交流/采购需求/批量供应(Correction/Technical/Perchase/Wholesale)
(共
0
条评论)
暂无评论
总 0 次评论
【首页】
上一页
下一页
【尾页】
E-mail:
AA:
Contents:
Code:
上一篇:
电池管理系统(BMS)解决方案
首页
关于我们
行业动态
芯片商动态
MCU程序下载
权威方案
联系我们